0-56 | EMISSION SYSTEM
ELF
NLR55 NMR71
| Key | PART NO | ITC | DESCRIPTION | QTY | APP DATE | LR | MODEL | REMARKS |
|---|---|---|---|---|---|---|---|---|
| 15 | I8-97352 151-0 | VALVE, VAC SW | 1 | 1512- | 4HG1-T | |||
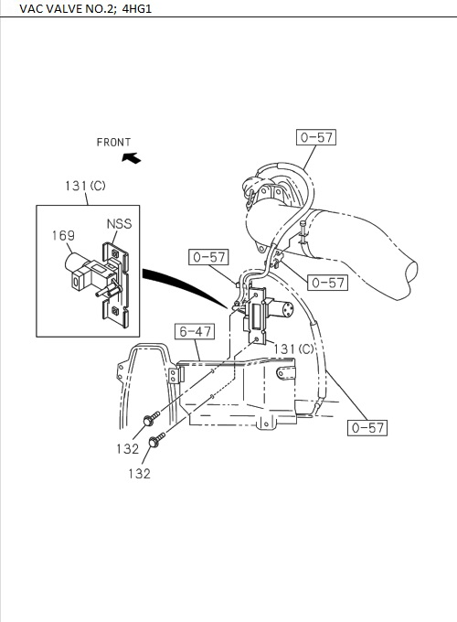
| 131 | I8-97374 160-2 | VALVE; VAC SWITCHING | 1 | 1512- | 4JB1-TC | (A) WB 2400MM | ||
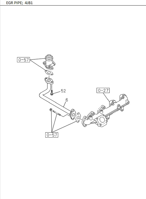
| 52 | I0-28050 830-0 | BOLT; EGR PIPE | 2 | 1512- | 4JB1-TC | M8X30 | ||
| 131 | I8-97374 152-2 | VALVE; VAC SWITCHING | 1 | 1512- | 4HG1-T | (A) WB 2400MM | ||
| 131 | I8-97374 152-2 | VALVE, VAC SWITCHING | 1 | 1512- | 4HG1-T | (A) WB 2400MM | ||
| 131 | I8-97161 801-3 | VALVE; VAC SWITCHING | 1 | 1512- | 4JB1-TC | (B) WB 3300MM | ||
| 182 | I0-28050 812-A | BOLT; VLV | 1 | 1601- | 4HG1-T | M8X12 | ||
| 74 | I8-97329 625-0 | NUT; VSV | 1 | 1512- | 4HG1-T | M8 | ||
| 131 | I8-97374 157-2 | VALVE; VAC SWITCHING | 1 | 1807- | 4HL1-TC | |||
| 74 | I8-97329 625-0 | NUT, VSV | 1 | 1512- | 4HG1-T | M8 | ||
| 131 | I8-97374 157-2 | VALVE; VAC SWITCHING | 1 | 1512- | 4HG1-T | (B) WB 3300MM | ||
| 15 | I8-97352 151-0 | VALVE; VAC SW | 1 | 1512- | 4HG1-T | |||
| 131 | I8-97374 160-2 | VALVE, VAC SWITCHING | 1 | 1512- | 4JB1-TC | (A) WB 2400MM | ||
| 131 | I8-97374 157-2 | VALVE, VAC SWITCHING | 1 | 1807- | 4HL1-TC | |||
| 6 | I8-97208 682-1 | PIPE, EGR | 1 | 1512- | 4JB1-TC | |||
| 52 | I0-28050 830-0 | BOLT, EGR PIPE | 2 | 1512- | 4JB1-TC | M8X30 | ||
| 6 | I8-97208 682-1 | PIPE; EGR | 1 | 1512- | 4JB1-TC | |||
| 131 | I8-97161 801-1 | VALVE, VAC SWITCHING | 1 | 1512- | 4JB1-TC | (B) WB 3300MM | ||
| 182 | I0-28050 812-A | BOLT, VLV | 1 | 1601- | 4HG1-T | M8X12 |