| 24 |
I8-94227 641-0 |
|
GASKET, REGULATING VLV, INJ PUMP |
1 |
|
|
4JB1-TC |
|
| 7 |
I1-15623 016-0 |
|
GASKET; PLUG, FUEL FEED PUMP |
4 |
|
|
4HG1-T |
|
| 6 |
I1-15759 066-0 |
|
PLUG, VLV SPRING, FUEL FEED PUMP |
3 |
|
|
4HG1-T |
|
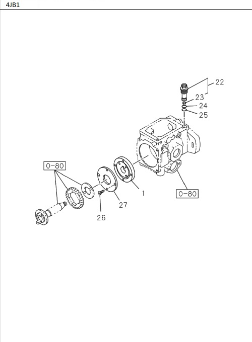
| 22 |
I8-94174 819-0 |
|
VALVE, REGULATING, INJ PUMP |
1 |
|
|
4JB1-TC |
STAMP 06 |
| 22 |
I8-94174 819-0 |
|
VALVE; REGULATING, INJ PUMP |
1 |
|
|
4JB1-TC |
STAMP 06 |
| 1 |
I8-94227 477-0 |
|
PUMP ASM; FUEL FEED, INJ PUMP |
1 |
|
|
4JB1-TC |
|
| 23 |
I8-94227 643-0 |
|
RING, SPRING, REGULATING VLV, INJ |
1 |
|
|
4JB1-TC |
|
| 29 |
I1-15759 043-0 |
|
ROLLER, TAPPET, FUEL FEED PUMP |
1 |
|
|
4HG1-T |
|
| 5 |
I1-15755 002-0 |
|
VALVE, FUEL FEED PUMP |
4 |
|
|
4HG1-T |
|
| 7 |
I1-15623 016-0 |
|
GASKET, PLUG, FUEL FEED PUMP |
4 |
|
|
4HG1-T |
|
| 29 |
I1-15759 043-0 |
|
ROLLER; TAPPET, FUEL FEED PUMP |
1 |
|
|
4HG1-T |
|
| 23 |
I8-94227 643-0 |
|
RING; SPRING, REGULATING VLV, INJ |
1 |
|
|
4JB1-TC |
|
| 26 |
I8-94227 479-0 |
|
SCREW, COVER FIX, FUEL FEED PUMP |
2 |
|
|
4JB1-TC |
|
| 24 |
I8-94227 641-0 |
|
GASKET; REGULATING VLV, INJ PUMP |
1 |
|
|
4JB1-TC |
|
| 10 |
I1-15759 067-0 |
|
ADAPTER, EYE BOLT, FUEL FEED PUMP |
1 |
|
|
4HG1-T |
|
| 6 |
I1-15759 066-0 |
|
PLUG; VLV SPRING, FUEL FEED PUMP |
3 |
|
|
4HG1-T |
|
| 19 |
I8-94171 185-0 |
|
PLUG; PISTON SPRING, FUEL FEED PU |
1 |
|
|
4HG1-T |
|
| 4 |
I9-81351 702-0 |
|
SPRING; VLV, FUEL FEED PUMP |
4 |
|
|
4HG1-T |
|
| 27 |
I8-97386 241-0 |
|
COVER, FUEL FEED PUMP |
1 |
|
|
4JB1-TC |
|
| 1 |
I8-97214 533-1 |
|
PUMP ASM; FUEL FEED, INJ PUMP |
1 |
|
|
4HG1-T |
|
| 13 |
I9-81355 025-0 |
|
RING, SNAP, TAPPET, FUEL FEED PUMP |
1 |
|
|
4HG1-T |
|
| 16 |
I9-81351 205-0 |
|
PISTON, FUEL FEED PUMP |
1 |
|
|
4HG1-T |
|
| 5 |
I1-15755 002-0 |
|
VALVE; FUEL FEED PUMP |
4 |
|
|
4HG1-T |
|
| 30 |
I9-81351 406-0 |
|
PIN, TAPPET ROLLER, FUEL FEED PUM |
1 |
|
|
4HG1-T |
|
| 8 |
I1-09675 086-0 |
|
BOLT; EYE, FUEL OUTLET, FEED PUMP |
1 |
|
|
4HG1-T |
|
| 18 |
I9-81355 035-0 |
|
GASKET, PISTON PLUG, FUEL FEED PU |
1 |
|
|
4HG1-T |
|
| 15 |
I1-15751 043-0 |
|
HOUSING; FUEL FEED PUMP |
1 |
|
|
4HG1-T |
|
| 4 |
I9-81351 702-0 |
|
SPRING, VLV, FUEL FEED PUMP |
4 |
|
|
4HG1-T |
|
| 15 |
I1-15751 043-0 |
|
HOUSING, FUEL FEED PUMP |
1 |
|
|
4HG1-T |
|
| 30 |
I9-81351 406-0 |
|
PIN; TAPPET ROLLER, FUEL FEED PUM |
1 |
|
|
4HG1-T |
|
| 9 |
I1-09630 085-0 |
|
GASKET, EYE BOLT, OUTLET, FUEL FEE |
2 |
|
|
4HG1-T |
ID=14.2 OD=19.2 |
| 9 |
I1-09630 085-0 |
|
GASKET; EYE BOLT, OUTLET, FUEL FEE |
2 |
|
|
4HG1-T |
ID=14.2 OD=19.2 |
| 26 |
I8-94227 479-0 |
|
SCREW; COVER FIX, FUEL FEED PUMP |
2 |
|
|
4JB1-TC |
|
| 27 |
I8-97386 241-0 |
|
COVER; FUEL FEED PUMP |
1 |
|
|
4JB1-TC |
|
| 25 |
I8-94227 640-0 |
|
GASKET; REGULATING VLV, INJ PUMP |
1 |
|
|
4JB1-TC |
|
| 1 |
I8-94227 477-0 |
|
PUMP ASM, FUEL FEED, INJ PUMP |
1 |
|
|
4JB1-TC |
|
| 1 |
I8-97214 533-1 |
|
PUMP ASM, FUEL FEED, INJ PUMP |
1 |
|
|
4HG1-T |
|
| 19 |
I8-94171 185-0 |
|
PLUG, PISTON SPRING, FUEL FEED PU |
1 |
|
|
4HG1-T |
|
| 28 |
I1-15754 002-0 |
|
TAPPET ASM, FUEL FEED PUMP |
1 |
|
|
4HG1-T |
|
| 10 |
I1-15759 067-0 |
|
ADAPTER; EYE BOLT, FUEL FEED PUMP |
1 |
|
|
4HG1-T |
|
| 31 |
I9-81351 416-0 |
|
GUIDE, TAPPET, FUEL FEED PUMP |
2 |
|
|
4HG1-T |
|
| 28 |
I1-15754 002-0 |
|
TAPPET ASM; FUEL FEED PUMP |
1 |
|
|
4HG1-T |
|
| 13 |
I9-81355 025-0 |
|
RING; SNAP, TAPPET, FUEL FEED PUMP |
1 |
|
|
4HG1-T |
|
| 8 |
I1-09675 086-0 |
|
BOLT, EYE, FUEL OUTLET, FEED PUMP |
1 |
|
|
4HG1-T |
|
| 25 |
I8-94227 640-0 |
|
GASKET, REGULATING VLV, INJ PUMP |
1 |
|
|
4JB1-TC |
|
| 16 |
I9-81351 205-0 |
|
PISTON; FUEL FEED PUMP |
1 |
|
|
4HG1-T |
|
| 17 |
I8-97214 466-0 |
|
SPRING; PISTON, FUEL FEED PUMP |
1 |
|
|
4HG1-T |
|
| 18 |
I9-81355 035-0 |
|
GASKET; PISTON PLUG, FUEL FEED PU |
1 |
|
|
4HG1-T |
|
| 17 |
I8-97214 466-0 |
|
SPRING, PISTON, FUEL FEED PUMP |
1 |
|
|
4HG1-T |
|
| 31 |
I9-81351 416-0 |
|
GUIDE; TAPPET, FUEL FEED PUMP |
2 |
|
|
4HG1-T |
|